Формування спектрального складу вихідної напруги перетворювачів ядерного магнітного резонансу
Основний зміст сторінки статті
Анотація
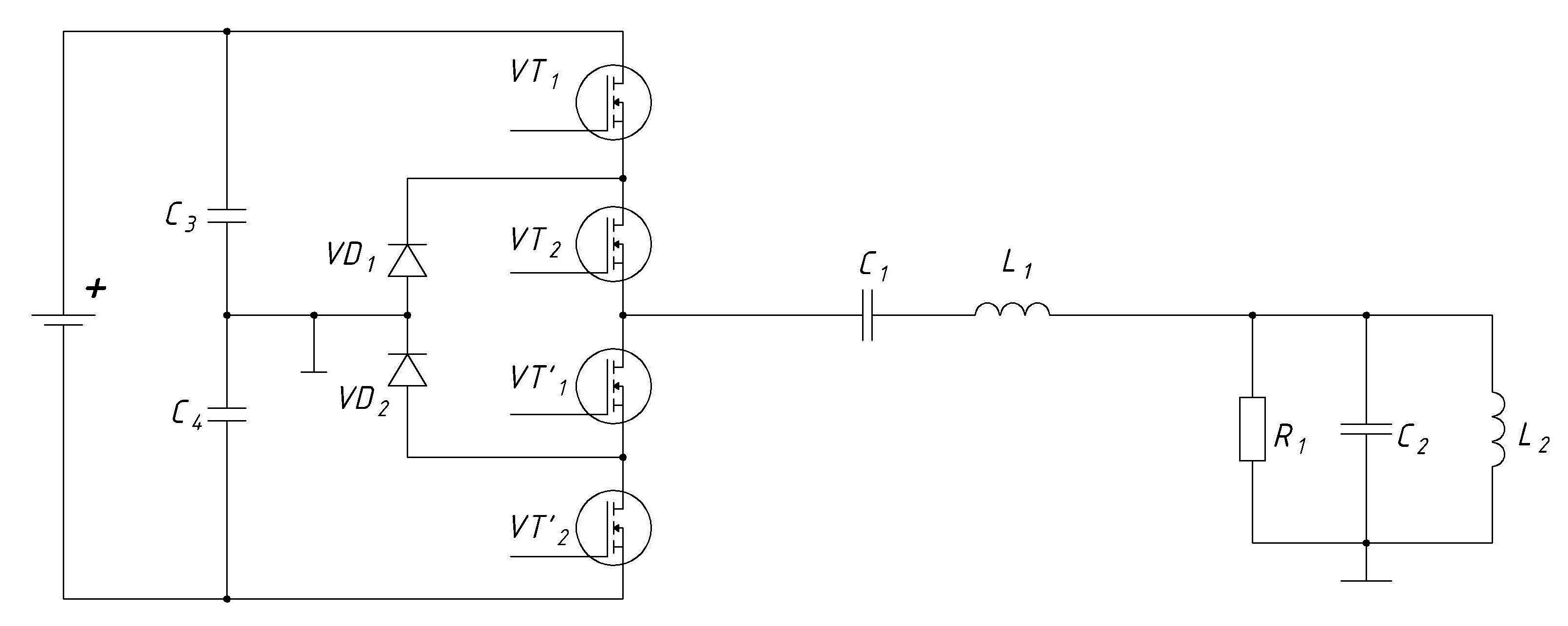
У даній роботі розглянуто побудову асинхронної системи керування напівпровідникових перетворювачів ядерного магнітного резонансу. Обґрунтовано актуальність досліджень, вказано основні проблеми та складнощі, які виникають при побудові таких систем. Виведено математичну модель інвертора, на основі якої побудовано систему керування з асинхронною широтно-імпульсною модуляцією. Запропоновано еквівалентну схему перетворювача з постійною структурою, постійними параметрами та еквівалентним генератором ЕРС. В роботі встановлено відповідність між еквівалентною схемою перетворювача та його математичною моделлю у вигляді диференціальних рівнянь. Для розробки алгоритму системи керування визначено залежність зміни частоти відносно резонансної частоти від зсуву фаз між струмом через фільтр і напругою на антенному контурі. Для чого була побудована модель у Simulink та проведено відповідне моделювання. Отримано чисельні залежності зміни частоти опорного сигналу та фазового зсуву. В статті розглянуто підвищення ефективності пристрою для ядерного магнітного резонансу за рахунок використання багаторівневих інверторів з налаштуванням частоти роботи. Моделювання трирівневого інвертора показало, що коли ємність резонансного контуру змінюється, а отже, і резонансна частота контуру, вхідний струм збільшується. Після відпрацювання алгоритму автоматичного підлаштування частоти збільшення споживаного струму можна нівелювати. Наведено часові діаграми напруг і струмів на основних елементах перетворювача, які ілюструють реалізацію асинхронної широтно-імпульсної модуляції в системі керування. Отримані результати моделювання також показують, що можна зменшити амплітуду третьої гармоніки. До недоліків запропонованої системи можна віднести те, що частота перетворювача регулюється на кожному наступному періоді його роботи. Робота також показує, що можна покращити спектральний склад зондувальної напруги, що генерується перетворювачем, використовуючи більше рівнів багаторівневого інвертора. Однак збільшення кількості рівнів знижує швидкість дії системи та ускладнює саму систему управління. Тому вказано на необхідність дотримання балансу між кількістю рівнів інвертора та складністю системи.
Блок інформації про статтю

Ця робота ліцензується відповідно до Creative Commons Attribution 4.0 International License.
Автори, які публікуються у цьому журналі, погоджуються з наступними умовами:- Автори залишають за собою право на авторство своєї роботи та передають журналу право першої публікації цієї роботи на умовах ліцензії Creative Commons Attribution License, котра дозволяє іншим особам вільно розповсюджувати опубліковану роботу з обов'язковим посиланням на авторів оригінальної роботи та першу публікацію роботи у цьому журналі.
- Автори мають право укладати самостійні додаткові угоди щодо неексклюзивного розповсюдження роботи у тому вигляді, в якому вона була опублікована цим журналом (наприклад, розміщувати роботу в електронному сховищі установи або публікувати у складі монографії), за умови збереження посилання на першу публікацію роботи у цьому журналі.
- Політика журналу дозволяє і заохочує розміщення авторами в мережі Інтернет (наприклад, у сховищах установ або на особистих веб-сайтах) рукопису роботи, як до подання цього рукопису до редакції, так і під час його редакційного опрацювання, оскільки це сприяє виникненню продуктивної наукової дискусії та позитивно позначається на оперативності та динаміці цитування опублікованої роботи (див. The Effect of Open Access).
Посилання
G. R. Coates, L. Xiao, and M. G. Prammer, NMR Logging Principles and Applications, 1st ed. Houston: Halliburton Energy Services, 2000.
T. Hassane, “Nuclear magnetic resonance and its applications for reservoir characterization,” in Applied Techniques to Integrated Oil and Gas Reservoir Characterization, Elsevier, 2021, pp. 155–192. DOI: https://doi.org/10.1016/B978-0-12-817236-0.00005-4
P. J. Boult, R. Ramamoortby, P. N. Theologou, R. D. East, A. M. Drake, and T. Neville, “USE OF NUCLEAR MAGNETIC RESONANCE AND NEW CORE ANALYSIS TECHNOLOGY FOR DETERMINATION OF GAS SATURATION IN PRETTY HILL SANDSTONE RESERVOIRS, ONSHORE OTWAY BASIN,” The APPEA Journal, vol. 39, no. 1, p. 437, 1999. DOI: https://doi.org/10.1071/AJ98025
M. Tan, Y. Zou, and C. Zhou, “A new inversion method for (T2, D) 2D NMR logging and fluid typing,” Comput Geosci, vol. 51, pp. 366–380, Feb. 2013. DOI: https://doi.org/10.1016/j.cageo.2012.07.030
E. Toumelin and B. Sun, “Optimization of Wireline NMR Pulse Sequences,” Petrophysics, vol. 52, no. 04, pp. 288–302, 2011. URL: https://onepetro.org/petrophysics/article-abstract/52/04/288/171203/Optimization-of-Wireline-NMR-Pulse-Sequences?redirectedFrom=fulltext
A. V. Zagranychnyi and V. V. Rohal, “Zastosuvannya invertoriv u prystroyakh yadernoho mahnitnoho rezonansu [Application the Inverters in Devices of Nuclear Magnetic Resonance],” Tekhnichna Elektrodynamika, no. 5, Aug. 2014. URL: https://www.techned.org.ua/index.php/techned/article/view/1097/973
A. V. Zahranychnii and V. V. Rogal, “Methods of forming voltage probing for devices nuclear magnetic resonance,” Electronics and Communications, vol. 18, no. 5, pp. 19–24, Dec. 2013. DOI: https://doi.org/10.20535/2312-1807.2013.18.5.142741
A. Tyshko and V. Popov, Vysokochastotnyye preobrazovateli dlya ustroystv na osnove YAMR, rabotayushchikh pri povyshennykh temperaturakh [High-frequency converters for NMR-based devices operating at elevated temperatures], vol. 2. Kharkiv: Tekhnichna elektrodynamika. Silova Elektronka ta Energoeffektivnist, 2012.
R. Xie and L. Xiao, “Advanced fluid-typing methods for NMR logging,” Pet Sci, vol. 8, no. 2, pp. 163–169, Jun. 2011. DOI: https://doi.org/10.1007/s12182-011-0130-4
V. E. Tonkal, V. S. Rudenko, V. Ya. Zhuikov, V. E. Suchik, S. P. Denisyuk, and A. V. Novoseltsev, Ventil’nyye preobrazovateli s peremennoy strukturoy [Variable structure gate converters]. Kyiv, Ukraine: Naukova dumka, 1990.
B. P. McGrath and D. G. Holmes, “Multicarrier PWM strategies for multilevel inverters,” IEEE Transactions on Industrial Electronics, vol. 49, no. 4, pp. 858–867, Aug. 2002. DOI: https://doi.org/10.1109/TIE.2002.801073
D. G. Holmes and T. A. Lipo, Pulse Width Modulation for Power Converters: Principles and Practice. Wiley-IEEE Press, 2003.
S. W. Shneen, F. N. Abdullah, and D. H. Shaker, “Simulation model of single phase PWM inverter by using MATLAB/Simulink,” International Journal of Power Electronics and Drive Systems (IJPEDS), vol. 12, no. 1, p. 212, Mar. 2021. DOI: https;//doi.org/10.11591/ijpeds.v12.i1.pp212-216
A. Tyshko, S. Balevicius, and S. Padmanaban, “An Increase of a Down-Hole Nuclear Magnetic Resonance Tool’s Reliability and Accuracy by the Cancellation of a Multi-Module DC/AC Converter’s Output’s Higher Harmonics,” IEEE Access, vol. 4, pp. 7912–7920, 2016. DOI: https://doi.org/10.1109/ACCESS.2016.2624498
K. Fathy et al., “PWM/PDM Dual Mode Controlled Soft Switching Multi Resonant High-Frequency Inverter,” in 2005 IEEE International Conference on Industrial Technology, pp. 1450–1455. DOI: https://doi.org/10.1109/ICIT.2005.1600863
Xiaoyu Wang and W. Freitas, “Influence of Voltage Positive Feedback Anti-Islanding Scheme on Inverter-Based Distributed Generator Stability,” IEEE Transactions on Power Delivery, vol. 24, no. 2, pp. 972–973, Apr. 2009. DOI: https://doi.org/10.1109/TPWRD.2009.2013373
H. Li, C. Liu, Y. Zou, and X. Jiang, “A Stability Improvement Method Based on Parameter Sensitivity for Grid-connected Inverter,” in IECON 2020 The 46th Annual Conference of the IEEE Industrial Electronics Society, 2020, pp. 4649–4654. DOI: https://doi.org/10.1109/IECON43393.2020.9254964
“Invariant Probability Distribution of DC–DC Converters,” in Chaos Analysis and Chaotic EMI Suppression of DC‐DC Converters, Wiley, 2014, pp. 75–91. DOI: https://doi.org/10.1002/9781118451106.ch4
X. Liu, A. M. Cramer, and F. Pan, “Generalized Average Method for Time-Invariant Modeling of Inverters,” IEEE Transactions on Circuits and Systems I: Regular Papers, vol. 64, no. 3, pp. 740–751, Mar. 2017. DOI: https://doi.org/10.1109/TCSI.2016.2620442
P. Rodriguez, M. D. Bellar, R. S. Muñoz-Aguilar, S. Busquets-Monge, and F. Blaabjerg, “Multilevel-Clamped Multilevel Converters (MLC2),” IEEE Trans Power Electron, vol. 27, no. 3, pp. 1055–1060, Mar. 2012. DOI: https://doi.org/10.1109/TPEL.2011.2172224
A. Yu. Manzhelii and A. V. Zahranychnyi, “Improving of the Probing Signal’s Spectral Content for Devices Nuclear Magnetic Logging,” Microsystems, Electronics and Acoustics, vol. 26, no. 2, pp. 237413-1-237413–5, Aug. 2021. DOI: https://doi.org/10.20535/2523-4455.mea.237413
F. Z. Peng, J. W. McKeever, and D. J. Adams, “Cascade multilevel inverters for utility applications,” in Proceedings of the IECON’97 23rd International Conference on Industrial Electronics, Control, and Instrumentation (Cat. No.97CH36066), 1997, pp. 437–442. DOI: https://doi.org/10.1109/IECON.1997.671773
D. G. Holmes and B. P. McGrath, “Opportunities for harmonic cancellation with carrier-based PWM for a two-level and multilevel cascaded inverters,” IEEE Trans Ind Appl, vol. 37, no. 2, pp. 574–582, 2001. DOI: https://doi.org/10.1109/28.913724
F. Z. Peng and J.-S. Lai, “Multilevel cascade voltage source inverter with seperate DC sources,” US5642275A, 24-Jun-1997. URL: https://patents.google.com/patent/US5642275A/en
P. Lezana, J. Rodriguez, and D. A. Oyarzun, “Cascaded Multilevel Inverter With Regeneration Capability and Reduced Number of Switches,” IEEE Transactions on Industrial Electronics, vol. 55, no. 3, pp. 1059–1066, Mar. 2008. DOI: https://doi.org/10.1109/TIE.2008.917095
V. N. Nesterov and A. R. Li, “The Theory and Practice of Designing of Invariant Measurement Transducers and Systems Based on the Two-Channel Principle,” Izvestiya Samarskogo nauchnogo tsentra Rossiyskoy akademii nauk, vol. 18, no. 4(7), pp. 1414–1422, 2016.
S. Patra, S. Agrawal, S. R. Mohanty, V. Agarwal, and M. Basu, “ESPRIT based robust anti-islanding algorithm for grid-tied inverter,” in 2016 IEEE Students’ Technology Symposium (TechSym), 2016, pp. 90–95. DOI: https://doi.org/10.1109/TechSym.2016.7872661
J. R. Perez and P. C. Estay, Predictive control of Power Converters and Electrical Drives. Hoboken, NJ: Wiley-IEEE Press, 2012. ISBN: 978-1-119-96398-1
M. S. A. Dahidah, G. Konstantinou, and V. G. Agelidis, “A Review of Multilevel Selective Harmonic Elimination PWM: Formulations, Solving Algorithms, Implementation and Applications,” IEEE Trans Power Electron, vol. 30, no. 8, pp. 4091–4106, Aug. 2015. DOI: https://doi.org/10.1109/TPEL.2014.2355226
V. Y. Zhuykov, V. V. Rogal, and O. V. Budyonnyi, Energetychna elektronika [Energetychna elektronika]. Kyiv, Ukraine, 2009.
 
							 
									


