Моделі акустичних резонаторів у дослідженнях звукопоглинаючих конструкцій
Основний зміст сторінки статті
Анотація
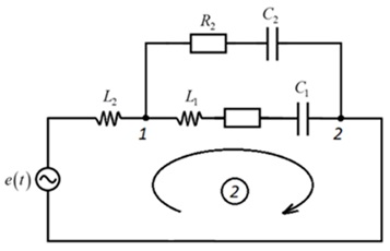
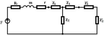
У статті розглянуто сучасні моделі акустичних резонаторів, які знаходять застосування у розробці та дослідженні звукопоглинальних конструкцій. Детально проаналізовано чотири підходи до моделювання резонаторів, кожен із яких має свої особливості, переваги та обмеження, що визначають їхню ефективність у конкретних завданнях. Модель простого гармонійного осцилятора дозволяє проводити базові розрахунки частот резонансу та отримувати уявлення про основні принципи функціонування резонатора. Вона є ключовим інструментом для попереднього аналізу, що дозволяє швидко оцінити ефективність конструкції та її відповідність заданим параметрам. Хоча ця модель не враховує складні геометричні чи фізичні фактори, її простота та інтуїтивність роблять її незамінною на початкових етапах проєктування. Другий підхід базується на рівняннях хвиль і використовується для моделювання складних геометрій, де хвильові процеси значно впливають на поведінку резонатора. Така модель дозволяє враховувати взаємодію акустичних хвиль із поверхнями різної форми, а також досліджувати їх розповсюдження у неоднорідних середовищах. Це робить її ефективною для завдань, пов'язаних із точним налаштуванням акустичних характеристик у приміщеннях зі складною архітектурою. Модель електричних аналогій демонструє себе як універсальний інструмент для аналізу багатокомпонентних систем. Вона дозволяє представити резонатор як частину електричної схеми, що спрощує вивчення його взаємодії з іншими елементами акустичної системи. Цей підхід знаходить застосування у задачах, де важливо враховувати вплив зовнішніх факторів, таких як розташування резонаторів у просторі чи взаємодія між ними. Метод скінченних елементів (FEM) є найпотужнішим інструментом для аналізу акустичних систем із високою точністю. Він дозволяє моделювати складні конструкції, враховувати фізичні властивості матеріалів та геометричні особливості резонаторів. Використання FEM є особливо актуальним для проєктування акустичних панелей, елементів оздоблення приміщень та дослідження впливу зовнішніх умов на ефективність звукопоглинання.
У статті наведено приклади типових задач для кожної з моделей, що демонструють їх практичну реалізацію у дослідженнях. Додатково обговорено напрями вдосконалення існуючих підходів, які можуть сприяти підвищенню ефективності розв’язання сучасних акустичних проблем. Окрему увагу приділено перспективам застосування моделей у майбутніх дослідженнях, включаючи розробку інноваційних типів резонаторів і створення комплексних моделей акустичних систем.
Блок інформації про статтю

Ця робота ліцензується відповідно до Creative Commons Attribution-ShareAlike 4.0 International License.
Автори, які публікуються у цьому журналі, погоджуються з наступними умовами:
- Автори залишають за собою право на авторство своєї роботи та передають журналу право першої публікації цієї роботи на умовах ліцензії Creative Commons Attribution License, котра дозволяє іншим особам вільно розповсюджувати опубліковану роботу з обов'язковим посиланням на авторів оригінальної роботи та першу публікацію роботи у цьому журналі.
- Автори мають право укладати самостійні додаткові угоди щодо неексклюзивного розповсюдження роботи у тому вигляді, в якому вона була опублікована цим журналом (наприклад, розміщувати роботу в електронному сховищі установи або публікувати у складі монографії), за умови збереження посилання на першу публікацію роботи у цьому журналі.
- Політика журналу дозволяє і заохочує розміщення авторами в мережі Інтернет (наприклад, у сховищах установ або на особистих веб-сайтах) рукопису роботи, як до подання цього рукопису до редакції, так і під час його редакційного опрацювання, оскільки це сприяє виникненню продуктивної наукової дискусії та позитивно позначається на оперативності та динаміці цитування опублікованої роботи (див. The Effect of Open Access).
Посилання
V. S. Didkovskyi and S. A. Luniova, Osnovy arkhitekturnoi ta fiziolohochnoi akustyky [Fundamentals of architectural and physiological acoustics], vol. 4. Kyiv, Ukraine: RSI Hydroprylad, 2001
U. Ingard, “On the Theory and Design of Acoustic Resonators,” J Acoust Soc Am, vol. 25, no. 6, pp. 1037–1061, Nov. 1953, DOI: https://doi.org/10.1121/1.1907235
T. J. Cox and P. D’Antonio, Acoustic Absorbers and Diffusers. Theory, Design and Application. CRC Press, 2016. ISBN: 9781315352220.
M. Long, Architectural Acoustics, 2nd ed. Elsevier, 2014, ISBN: 978-0-1239-8258-2
N. H. Fletcher and T. D. Rossing, The Physics of Musical Instruments. New York, NY: Springer New York, 1998, ISBN: 978-1-4419-3120-7
B. Kim et al., “Development of a Slit-Type Soundproof Panel for a Reduction in Wind Load and Low-Frequency Noise with Helmholtz Resonators,” Applied Sciences, vol. 11, no. 18, p. 8678, Sep. 2021, DOI: https://doi.org/10.3390/app11188678
Y. Kopytko, V. Zaets, S. Naida, V. Didkovskyi, and A. Damarad, “Research of the Resonance Properties of Helmholtz Resonators,” ScienceRise, vol. 4, pp. 10–16, Aug. 2020, DOI: https://doi.org/10.21303/2313-8416.2020.001389
J. S. Kopytko, “Calculation of the Resonant Frequencies of the Throat Part of the Helmholtz Resonator,” Microsystems, Electronics and Acoustics, vol. 23, no. 5, pp. 70–75, Oct. 2018, DOI: https://doi.org/10.20535/2523-4455.2018.23.5.147782
Y. S. Kopytko and S. A. Naida, “Calculation of the offset amplitudes in the Helmholtz resonators’ throat part at the resonance frequencies,” Microsystems, Electronics and Acoustics, vol. 24, no. 1, pp. 79–84, Feb. 2019, DOI: https://doi.org/10.20535/2523-4455.2019.24.1.164315
F. Langfeldt, H. Hoppen, and W. Gleine, “Broadband low-frequency sound transmission loss improvement of double walls with Helmholtz resonators,” J Sound Vib, vol. 476, p. 115309, Jun. 2020, DOI: https://doi.org/10.1016/j.jsv.2020.115309
M. V. Indenbom and S. P. Pogossian, “Characteristics of partially filled Helmholtz resonators,” Acta Acustica, vol. 7, p. 51, Oct. 2023, DOI: https://doi.org/10.1051/aacus/2023039
K. Mahesh and R. S. Mini, “Helmholtz resonator based metamaterials for sound manipulation,” J Phys Conf Ser, vol. 1355, no. 1, p. 012031, Nov. 2019, DOI: https://doi.org/10.1088/1742-6596/1355/1/012031
Q. Zhang et al., “Multi-Tube Helmholtz Resonator Based Triboelectric Nanogenerator for Broadband Acoustic Energy Harvesting,” Front Mater, vol. 9, Apr. 2022, DOI: https://doi.org/10.3389/fmats.2022.896953
Z. Hu, C. Yang, and L. Cheng, “Acoustic resonator tuning strategies for the narrowband noise control in an enclosure,” Applied Acoustics, vol. 134, pp. 88–96, May 2018, DOI: https://doi.org/10.1016/j.apacoust.2018.01.013
B. Lemkalli, M. Idrissi, A. Mir, and Y. Achaoui, “Lightweight panels based on Helmholtz resonators for low-frequency acoustic insulation,” E3S Web of Conferences, vol. 469, p. 00042, Dec. 2023, DOI: https://doi.org/10.1051/e3sconf/202346900042
D. Guan, D. Zhao, and Z. Ren, “Aeroacoustic Attenuation Performance of a Helmholtz Resonator with a Rigid Baffle Implemented in the Presence of a Grazing Flow,” International Journal of Aerospace Engineering, vol. 2020, pp. 1–16, Apr. 2020, DOI: https://doi.org/10.1155/2020/1916239
R. Xue, C. M. Mak, D. Wu, and K. W. Ma, “The acoustic performance of a dual Helmholtz resonators system in the presence of a grazing flow,” Int J Aeroacoust, vol. 22, no. 1–2, pp. 23–40, Mar. 2023, DOI: https://doi.org/10.1177/1475472X221150175
L. Yuvaraj, S. Jeyanthi, and L. B. M. Chinnapandi, “Sound absorption of Multilayer Micro perforated Panel with Helmholtz Resonator Mount,” in 48th International Congress and Exhibition on Noise Control Engineering (INTERNOISE 2019), 2019, p. 1671, URL: https://www.sea-acustica.es/INTERNOISE_2019/Fchrs/Proceedings/1671.pdf
D. D. Razumov, “Vyznachennya vlastyvostey pohlynannya zvuku perforovanymy akustychnymy konstruktsiyamy [Determination of sound absorption properties of perforated acoustic structures],” Master Thesis, Igor Sikorsky KPI, Kyiv, Ukraine, 2023, URL: https://ela.kpi.ua/handle/123456789/63551
Y. S. Kopytko, “Akustychni rezonatory skladnoyi formy [Acoustic resonators of complex shape],” PhD Thesis, Igor Sikorsky KPI, Kyiv, Ukraine, 2021, URL: https://ela.kpi.ua/handle/123456789/39569
S. Basirjafari, “Innovative solution to enhance the Helmholtz resonator sound absorber in low-frequency noise by nature inspiration,” J Environ Health Sci Eng, vol. 18, no. 2, pp. 873–882, Dec. 2020, DOI: https://doi.org/10.1007/s40201-020-00512-w
E. Choi and W. Jeon, “Near-perfect sound absorption using hybrid resonance between subwavelength Helmholtz resonators with non-uniformly partitioned cavities,” Sci Rep, vol. 14, no. 1, p. 3174, Feb. 2024, DOI: https://doi.org/10.1038/s41598-024-53595-y
Y. Zhu, H. Long, C. Liu, H. Zhang, Y. Cheng, and X. Liu, “An ultra-thin ventilated metasurface with extreme asymmetric absorption,” Appl Phys Lett, vol. 120, no. 14, Apr. 2022, DOI: https://doi.org/10.1063/5.0086859
M. Liu, X. Wang, and F. Xin, “Sound absorption of acoustic resonant absorbers with rough oblique perforations,” Applied Acoustics, vol. 217, p. 109828, Feb. 2024, DOI: https://doi.org/10.1016/j.apacoust.2023.109828
A. Chojak, W. Binek, B. Chojnacki, J. Pqwlik, and J. Idczak, “The effect of sound-absorbing walls on the acoustic properties of the modelled unit cell of a sound-absorbing metamaterial,” Vibrations in Physical Systems, vol. 34, no. 2, pp. 1–8, 2023, DOI: https://doi.org/10.21008/j.0860-6897.2023.2.12
S. Bi et al., “Enhancement of sound absorption performance of Helmholtz resonators by space division and chamber grouping,” Applied Acoustics, vol. 207, p. 109352, May 2023, DOI: https://doi.org/10.1016/j.apacoust.2023.109352
J. Guo, Y. Fang, R. Qu, Q. Liu, and X. Zhang, “An extra-broadband compact sound-absorbing structure composing of double-layer resonator with multiple perforations,” J Acoust Soc Am, vol. 150, no. 2, pp. 1370–1380, Aug. 2021, DOI: https://doi.org/10.1121/10.0005912
H. Hoppen, F. Langfeldt, W. Gleine, and O. von Estorff, “Helmholtz resonator with two resonance frequencies by coupling with a mechanical resonator,” J Sound Vib, vol. 559, p. 117747, Sep. 2023, DOI: https://doi.org/10.1016/j.jsv.2023.117747
N. M. Papadakis and G. E. Stavroulakis, “Tunable Helmholtz Resonators Using Multiple Necks,” Micromachines (Basel), vol. 14, no. 10, p. 1932, Oct. 2023, DOI: https://doi.org/10.3390/mi14101932



