Акустичне поле ультразвукового приладу для диференційної діагностики слуху людини
Основний зміст сторінки статті
Анотація
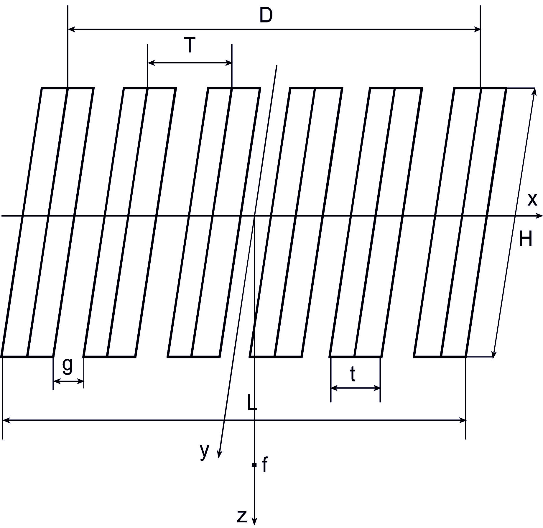
В даній роботі проведено аналіз актуальності та новизни застосування багатоелементної решітки в електроакустичному перетворювачі для диференційної діагностики завитки внутрішнього вуха людини. Наведено розрахунки геометричних розмірів та акустичного поля для циліндричного хвильового фронту створюваного лінійною багатоелементною решіткою п'єзоелементів. Проведені розрахунки розподілу акустичного поля по глибині зі зміною куту відхилення від осі та тривалості імпульсу. Зроблено висновок про доцільність використання даного типу електроакустичного перетворювача для диференціальної діагностики слуху людини. З отриманих графіків з'ясували, що при збільшенні коефіцієнта згасання імпульсу призводить до зменшення значень дифракційного максимуму. Також показано, що відносну амплітуду дифракційного максимуму можна зменшити шляхом зменшення тривалості імпульсу та збільшенням кількості п'єзоелементів у робочій групі. Цей тип п'єзоелектричного перетворювача дозволить при зміні кута випромінювання ультразвукової хвилі впливати на всі ділянки завитки людини та обирати певну тривалість для безпечного впливу.
Блок інформації про статтю

Ця робота ліцензується відповідно до Creative Commons Attribution 4.0 International License.
Автори, які публікуються у цьому журналі, погоджуються з наступними умовами:- Автори залишають за собою право на авторство своєї роботи та передають журналу право першої публікації цієї роботи на умовах ліцензії Creative Commons Attribution License, котра дозволяє іншим особам вільно розповсюджувати опубліковану роботу з обов'язковим посиланням на авторів оригінальної роботи та першу публікацію роботи у цьому журналі.
- Автори мають право укладати самостійні додаткові угоди щодо неексклюзивного розповсюдження роботи у тому вигляді, в якому вона була опублікована цим журналом (наприклад, розміщувати роботу в електронному сховищі установи або публікувати у складі монографії), за умови збереження посилання на першу публікацію роботи у цьому журналі.
- Політика журналу дозволяє і заохочує розміщення авторами в мережі Інтернет (наприклад, у сховищах установ або на особистих веб-сайтах) рукопису роботи, як до подання цього рукопису до редакції, так і під час його редакційного опрацювання, оскільки це сприяє виникненню продуктивної наукової дискусії та позитивно позначається на оперативності та динаміці цитування опублікованої роботи (див. The Effect of Open Access).
Посилання
Worldwide organization of health protection. A loss of hearing is in child’s age. Guidance to the immediate action. https://apps.who.int/iris/bitstream/handle/10665/204507/WHO_MH_NVI_16.1_rus.pdf;jsessionid= CFA3C03E6811AFBD9E8FEB5801828C3D?sequence=5
Gelfand Stanley A. Hearing: An Introduction to Psychological and Physiological Acoustics. Informa Healthcare UK. 2010. ISBN-13: 978-1-4200-8865-6
Robert H. Withnell and Taylor N. Fields. “Zwislocki’s Model of the Middle Ear Re-visited”. Mechanics of Hearing: Protein to Perception AIP Conf. Proc. 1703, 060012-1–060012-5; DOI: http://dx.doi.org/10.1063/1.4939367
Aithal Sreedevi, Kei Joseph, Driscoll Carlie, Khan Asaduzzaman, Swanston Andrew, “Wideband Absorbance Outcomes in Newborns: A Comparison With High-Frequency Tympanometry, Automated Brainstem Response, and Transient Evoked and Distortion Product Otoacoustic Emissions,” Ear and Hearing (The Official Journal of American Auditory Sociaty), September/October 2015, Vol.36, Issue 5, p. e237-e250. DOI: https://doi.org/10.1097/AUD.0000000000000175
David T. Kemp, “Otoacoustic Emissions: Concepts and Origins," Springer Handbook of Auditory Research, V. 30, 2008, pp. 1-38. DOI: https://doi.org/10.1007/978-0-387-71469-1_1
Saikat Samaddar, Swagatam Banerjee, Sanjoy Kumar Ghosh, Subhra Bhattacharya, Diptanshu Mukherjee, Sirshak Dutta, “Universal Neonatal Hearing Screening - a Necessity and not a Choice,” Bengal Journal of Otolaryngology and Head Neck Surgery, V. 23, No. 1, pp.1-6, April, 2015. DOI: https://doi.org/10.47210/bjohns.2015.v23i1.29
C. Patrone, “Neonatal hearing screening around the world: 8th Newborn hearing screening (NHS) International conference,” Audio infos, No. 40, pp. 32-38, 2012.
Bartosz Trzaskowskia, Edyta Pilkaa, W. Wiktor Jedrzejczaka, Henryk Skarzynskia, “Criteria for detection of transiently evoked otoacoustic emissions in schoolchildren,” International Journal of Pediatric Otorhinolaryngology, Published Online: June 29, 2015. DOI: http://dx.doi.org/10.1016/j.ijporl.2015.06.028
David S Haynes, Rene H Gifford, George B Wanna, Alejandro C Rivas. Cochlear Implants: From Principles to Practice. Jajpee Brothers Medical Publishers, 2020. ISBN: 978-1-78779-119-0
Beutner Dirk, Hüttenbrink Karl-Bernd, “Passive and active middle ear implants,” GMS Current Topics in Otorhinolaryngology - Head and Neck Surgery, 8: Doc09, 2009. Published: March 10, 2011. DOI: https://dx.doi.org/10.3205/cto000061
S. A. Naida, D. O. Liashko, «Experimental Study of the Focused Ultrasonic System for Differential Diagnostics of the Human Hearing», Microsystems, Electronics and Acoustics, V. 23, № 3, p. 58–64. DOI: https://doi.org/10.20535/2523-4455.2018.23.3.134958
Guo, H., Hamilton, M., Offutt, S. J., Gloeckner, C. D., Li, T., Kim, Y., Legon, W., Alford, J. K., and Lim, H. H. “Ultrasound Produces Extensive Brain Activation via a Cochlear Pathway”, Neuron, vol. 98, no. 5, pp. 1020–1030.e4, Jun. 2018. DOI: https://doi.org/10.1016/j.neuron.2018.04.036
T. Sato, M. G. Shapiro, and D. Y. Tsao, “Ultrasonic Neuromodulation Causes Widespread Cortical Activation via an Indirect Auditory Mechanism”, Neuron, vol. 98, no. 5, pp. 1031–1041.e5, Jun. 2018. DOI: https://doi.org/10.1016/j.neuron.2018.05.009
S. А. Naida, D. A. Liashko, «Acoustic calculation of a linear array of piezo elements for impact on the cochlea of the inner ear» IX International scientific and technical conference of young scientists "Electronics-2016" , pp. 36-39, 2016.
V. S. Didkovskiy, S. A. Naida, Piezoelectric converters of medical ultrasound scanners. “Prosvita”, Kyiv, pp. 179, 1999
Katz J., Handbook of clinical audiology. 2015. ISBN: 978-1-4511-9163-9
Bekesy G., Experiments in hearing. 1960, McGraw-Hill. New York. ISBN-10: 0883186306
Beranek Leo L., Mellow Tim J., Acoustics – Sound Fields and Transducers. 2012, San Diego. Elsevier – Academic Press. ISBN: 9780123914217
Gentil F., Parente M., Martins P., Garbe C., Paço J., Ferreira A., Tavares J., Jorge R., "The influence of muscles activation on the dynamical behaviour of the tympano-ossicular system of the middle ear," Computer Methods in Biomechanics and Biomedical Engineering. 2013, vol. 16, no. 4, pp. 392-402, DOI: https://doi.org/10.1080/10255842.2011.623674
Ihrle S., Lauxmann M., Eiber A, Eberhard P., "Nonlinear modelling of the middle ear as an elastic multibody system – Applying model order reduction to acousto-structural coupled systems."Journal of Computational and Applied Mathematics. 2013, vol. 246, pp. 18-26, DOI: https://doi.org/10.1016/j.cam.2012.07.010



